尊敬的各位公眾:
你們好!
重慶新渝湘實業有限公司是一家集汽車塑料件、摩托車發動機外殼、汽車座墊及配件生產、銷售,摩托車覆蓋件表面技術處理,汽車、摩托車塑料件白坯生產,汽車零部件研發,汽車、摩托車零部件銷售,金屬制品加工、銷售、設計、制作、代理、發布國內外廣告為一體的大型民營企業。
為迎合市場變化和科技發展的需求,同時提高企業核心競爭力,重慶新渝湘實業有限公司擬在合川區上場鎮銀翔新城A06-01/1地塊新建廠房,新增塑料件注塑生產線、汽車、摩托車配件生產線,實現生產工藝的提升以及公司產能的擴大。
目前,本項目環評工作已經進行到一定程度,為使公眾對該項目有更進一步的了解,評價將本項目環境影響報告的簡要內容進行第二次環評公示。
一、建設項目基本情況
項目名稱:注塑、摩托車配件和汽車配件生產線項目
建設單位:重慶新渝湘實業有限公司
建設性質:新建
建設地點:合川區土場鎮銀翔新城A06-01/1地塊
新建有汽車、摩托車配件噴涂生產流水線1套(年產汽車配件60萬臺、摩托車配件50萬臺);汽車配件裝配線1套(年產汽車內飾件等70萬套);大型注塑機30余臺(年生產摩托車覆蓋件白坯、汽車內飾前后保險杠和白坯上百萬套)。
表1 擬建項目主要產品一覽表
序號 | 主要產品 | 單位 | 數量 | 備注 |
一 | 注塑 |
|
|
|
1 | 汽車注塑零部件 | 萬套 | 60 | 保險杠、儀表板本體骨架、電池托架、前端模塊、控電盒、座椅支撐架、備胎盤、擋泥板、底盤蓋板、噪音隔板、前后車門框架等。 |
2 | 摩托車注塑零部件 | 萬套 | 50 | 護板、導流罩、鏡子殼、加油器、濾清器、腳踏皮、緩沖塊、發動機導向輪,油封、側蓋、反光鏡蓋、大燈罩、尾燈罩等。 |
3 | 汽車內飾件裝配 | 萬套 | 70 | 隔板、門內裝飾板、儀表板總成、扶手等。 |
4 | 小計 | 萬套 | 180 |
|
工作制度:實行3班制生產,每班工作8小時,全年工作300天。
勞動定員:項目達綱年總員工約800人,其中工人:722人,技術及管理人員:78人。
二、建設項目周邊環境現狀
本項目位于重慶合川工業園天頂組團,東面為園區道路,其余為規劃的綠地。項目周邊200米范圍內無環境敏感目標。評價范圍內無自然保護區、生態農業示范園和重點文物保護單位,未發現珍稀動植物和礦產資源。
根據對項目周邊的環境現狀監測可知,項目所在區域環境空氣質量良好,常規因子SO2、NO2、PM10,特征因子甲苯、二甲苯和非甲烷總烴均能夠滿足相關環境質量標準要求;納污水體落印石河水質能夠達到III類水域水質標準;所在區域晝、夜間聲環境均滿足《聲環境質量標準》(GB3096-2008)3類區的標準要求,區域聲環境質量較好。
三、生產工藝簡述
`}TP_9N{J4ROSCB1.png)

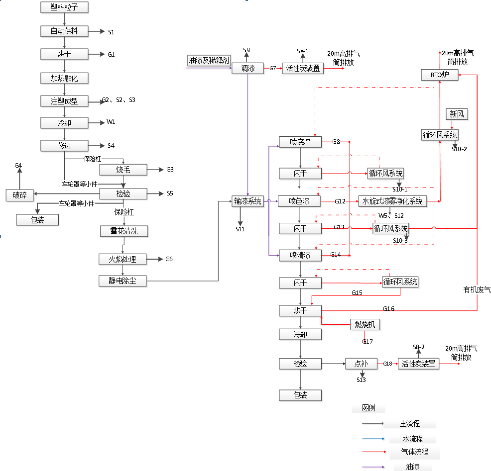
圖1 主體生產工藝流程圖
將原料PP-EPDM塑料顆粒導入一體化注塑機料斗,用電加熱至融融狀態,注入相應模具內,經間接冷卻水循環冷卻后成型,將成型的產品從模具上取下,經人工修整去除多余塑料,檢驗合格后即得成品進入涂裝工段。
涂裝工段是由前處理、噴漆、烘干等主要生產單元組成,并通過輸送設備將各單元串在一起。前處理主要包括雪花清洗、火焰處理、靜電除塵等工序,主要是去除工件表面的灰塵、油污和殘留的脫模劑等,同時對表面進行活化處理。噴漆共設3個噴漆室,分別為底漆噴漆室、色噴漆干室和罩光漆噴漆室,噴漆室全封閉以防止漆霧及有機溶劑外泄,采用機器人分別持空氣槍和旋杯自動靜電噴涂底漆、色漆和罩光漆。烘干室采用熱風循環系統對噴漆件烘干,烘干溫度自動控制,采用天然氣為加熱源。烘干共設1個烘干室,采用三涂一烘。
采用冷卻風將烘干室的工件迅速降溫,經檢驗、拋光后進入裝配室完成保險杠外板、緩沖材料與橫梁的組裝及包裝任務,該過程以手工工作為主。
四、建設項目可造成的環境影響及治理措施
1、廢水影響
擬建項目廢水主要為生產廢水和生活污水,生產廢水主要來源于涂裝前處理、涂裝,生活污水主要來源于的員工。項目污水經污水處理站處理達到《污水綜合排放標準》(GB8978-1996)三級標準后經市政污水管網排入復盛污水處理廠處理后排入御臨河。
2、廢氣治理措施
擬建項目運營期廢氣包括注塑廢氣、噴涂廢氣和烘干廢氣,以及鍋爐和燃燒機廢氣。注塑廢氣經收集后25m高的排氣筒達標排放,烘干廢氣與對應噴漆室漆霧凈化后的廢氣混合排入蓄熱式廢氣燃燒爐(RTO),經處理后由25m高的排氣筒達標排放。預測結果顯示二甲苯、甲苯、二氧化硫、氮氧化物最大落地濃度均小于環境空氣質量標準中濃度限值,環境能夠接受。
鍋爐和燃燒機采用清潔能源天然氣,在燃燒過程中產生的污染物濃度很低滿足排放標準要求,且各天然氣燃燒裝置產生的廢氣由8m高煙囪排放,不會對周圍大氣環境產生明顯的影響。
3、噪聲
項目優先選用噪聲較小的設備類型,采用基礎減震、管道消聲、廠房隔聲和距離衰減等綜合降噪措施。根據噪聲環境影響預測可知,各噪聲源經過上述降噪措施后,廠界噪聲能夠滿足達標排放的要求,環境可以接受。
4、固廢
擬建項目產生的廢棄物有危險廢物、一般工業固廢和生活垃圾。漆渣、廢油漆和稀釋劑等全部由有資質的單位送危險廢物處置中心處置;一般工業固廢交由物資公司進行回收;生活垃圾經分類收集后送當地垃圾填埋場處置。通過上述方法處理處置后,擬建項目產生的固體廢棄物對環境的影響很小,環境能夠接受。
五、項目規劃符合性
根據《產業結構調整指導目錄(2011年本)(2013年修正)》(國家發展和改革委員會2013年第21號令),本項目不屬于鼓勵類、限制類和禁止類項目,在國家產業政策允許建設的范圍內。
本項目位于重慶市合川工業園區天頂組團,根據《重慶市人民政府關于進一步深化投資體制改革的意見》中附件2《重慶市產業投資禁投清單(2014年版)》,本項目不屬于淘汰、限制及禁止新建、擴建類項目,即為允許建設類項目。
本項目建設選址于重慶市合川工業園區工業用地,項目建設符合園區入園條件,滿足園區規劃用地要求,與區域規劃相符合。
六、清潔生產
擬建項目采用成熟先進的生產工藝與技術設備,使用清潔能源,干式噴涂工藝廢水產生率低,有效的降低了單位產品的能耗和污染物的產生量,清潔生產水平為國內先進。
七、環境影響評價結論
本項目建設符合國家、重慶的相關產業政策,符合重慶市重慶市合川工業園區規劃。項目建成后,對促進園區的經濟發展以及帶動相關產業的發展具有重要意義。建設項目采用了先進的工藝技術,清潔生產水平高,污染物大幅削減,在采取和落實本評價提出的各項污染防治措施后,工程建設帶來的不利環境影響程度能得到減輕,區域環境功能不會發生改變,預測表明對評價區的水、氣、聲環境影響較小,不會降低項目所在地的環境質量。從環境保護角度分析,該項目建設是合理可行的。
八、查閱環境影響報告書簡本的方式和期限
2017年5月15日~2017年5月29日期間,您可以通過電子郵件或電話的方式反饋給我們。如果您需要對“重慶新渝湘實業有限公司注塑、摩托車配件和汽車配件生產線項目”環境影響評價進行更為詳細的了解,請與建設單位或評價單位聯系。
九、聯系方式
(1)建設單位
建設單位:重慶新渝湘實業有限公司
聯系地址:重慶合川區上場鎮銀翔新城重慶新渝湘實業有限公司
聯系人:李女士
聯系電話:13883887770
E-mail:656200429@qq.com
(2)環境影響評價單位
環評單位:中機中聯工程有限公司
聯系地址:重慶市九龍坡區石橋鋪渝州路17號
聯系人:王先生
聯系電話:023-61513289
E-mail:18523092965@163.com
重慶新渝湘實業有限公司
2017年5月15日






